Back to Parts and Parcel Co., LTD
Contacts
Register
Login
Brand
3M
ANFIM
ASTORIA/CMA
BEZZERA
BFC
BIALETTI
BNZ
BRAS
BRASILIA
BREMA
BRUGNETTI
BWT
CAFELAT
CARIMALI
CASADIO
CIMBALI
CIME
COFFEE QUEEN
COMENDA
COMPAK
CONTI
CREMA PRO
DALLA CORTE
DVA
ECM
ECM DE
EDO
ELEKTRA
EUREKA
EXPOBAR
FAEMA
FIAMMA RST
FIORENZATO M.C
FOAM LOCUS
FRIMONT-FAEMA
FUTURMAT
GAGGIA
GENE CAFE
HARIO
HEYCAFE'
HIROIA
IPA
ISOMAC
IWAKI
LA PAVONI
LA SAN MARCO
LA SPAZIALE
LUX-DELUX
MACAP
MAZZER
METALLURGICA MOTTA
MODBAR
MONOLITH
NUOVA RICAMBI
NUOVA SIMONELLI
OBEL
OCS VARIOUS
PRO-FONDI
PROFITEC
PROMAC
PULLMAN
PULY CAFF
PUSH TAMPERR
PäLLO
QUAMAR
RANCILIO
ROCKET
ROSSI
ROYAL
SANREMO
SIMAG
SIPRESSO
UGOLINI
VIBIEMME
VICTORIA ARDUINO
WEGA
Spare part type
BARISTA TOOLS
COFFEE GRINDERS
COFFEE GRINDERS- SPARE PARTS
COOKING EQUIPMENT
ESPRESSO MACHINE PARTS
ICE CRUSHER
ICE MAKERS
INDUSTRIAL REFRIGERATION
OCS VARIOUS
UNIVERSAL SPARE PARTS
WASHING EQUIPMENT
AUTOMATIC CLEANING SISTEM
AUTOMATIC TAMPERS
BARISTA KIT
BOOKS
BRISTLES AND BRUSHES
CLEANING TOOLS
COCOA SHAKERS AND DECORATOR
COFFEE BEAN ROOSTING
COFFEE DRIPPER
COMPETITION FILTERS AND SHOWER FILTERS
CUPPING
CUPS
DISTRIBUTION TOOLS
EDO
KNOCK BOX DRAWERS
LATTE ART PENS
MANUAL COFFEE GRINDERS
MANUAL ROBOTS COFFEE MACHINES
MEASURING TOOLS
MERCHANDISE
MILK JUGS
MILK WHIPPER AND MILK FROTHER
MOKA COFFEE MAKERS
PITCHER RINSER
SCALES AND MEASURING TOOLS
TAMPERS
TAMPING MAT AND STAINLESS STEEL SUPPORT
THERMOMETERS
COFFEE GRINDERS
COFFEE TIN ADAPTORS
MACAP COFFEE GRINDERS
* GRINDSTONES *
ANFIM
BNZ
COMPAK
EUREKA
FAEMA
FIORENZATO M.C.
HEYCAFE'
LUD-DELUX
MACAP
MAZZER
NUOVA SIMONELLI
OBEL
QUAMAR
RANCILIO
ROSSI
SAN MARCO
Basins
Baskets pasta cooker
Boiler
Burners
Candles
Capacitors
Cast iron plates
Contactors
Detergents
Digital thermostats
Drain taps
Drains
Electric plates
Electronic Variable hoods
Energy regulator (simmostat)
Engines - oven fans
Fan motors and tangentials
Faston - cable Lugs
Fittings
Flame Controls
Flame-spreaders burners
Fryer baskets
Fuse
Gas nozzles
Gas pipes
Gas taps
Grease, adhesives
Hand showers oven
Handles, door locking catches
Heating elements
Hinges
Hob grids
Hoods filters
Ignition cables, sheatings
Ignitions piezo
Knobs
Lava stone grids
Lava stone, waywardtiles
Level Pressurestat
LPG Regulators
Measurement tools
Micro Switches
Motorized drain valve
Oven Grids
Ovens gaskets
Overflow caps
Pilot burners
Pilot lights
Pressure Regulators / Relays
Probes
Reamers, gauges
Reductions moka
Ringtones
Rubinetti distributori
Solenoid valves
Springs toasters/ hinges
Stainless stelle foot
Steam safety valves
Switches
Switches, buttons
Terminal Boards
Thermal
Thermocouples
Thermometers
Thermostatic tap
Thermostats
Tilting pans handles
Timers - Timer
Toroidal exchangers
Transformers
Valvole gas
Various tools
Ventilatori centrifughi
Vibrating pumps
Water loading taps
ASTORIA/CMA
BEZZERA
BFC
BRASILIA
BRUGNETTI
CARIMALI
CASADIO
CIMBALI
CIME
COFFEE QUEEN
CONTI
DALLA CORTE
ECM
ECM DE
ELEKTRA
EXPOBAR
FAEMA
FIAMMA RST
FUTURMAT
GAGGIA
ISOMAC
LA MARZOCCO
LA PAVONI
LA SAN MARCO
LA SPAZIALE
MODBAR
NUOVA SIMONELLI
PROFITEC
PROMAC
RANCILIO
ROCKET
ROYAL
SANREMO
VIBIEMME
VICTORIA ARDUINO
WEGA
BRAS
UGOLINI
BREMA
FRIMONT-FAEMA
SIMAG
Baffle
Bearing
Capacitor
Coolers
Curtain
Door
Drain cup
Drain hose
Electronic cards
Fan motors
Filters
Fittings
Gas solenoid valves
Gearmotor
Grid
Inlet hose
Level probes
Microswitches
Motor pump
Nozzle
Overflow
Paddle
Paddle shaft
Pentavalent motors
Pipes
Pressurestat
Solenoid valves
Sterilizers
Switches
Thermostats
Timers
Tray
Access valves
Adaptors
Adhesives
Bar profile Gaskets
Basins
Blast chiller Gaskets
Capacitors
Cell Gaskets
Cold Stores strip doors
Compensation valves
Compressors
Coolers
Copper pipes
Dehydrator Filters
Digital thermometers
Digital thermoregulator
Electric Panels
Electronic Boards
Fan motors
Feet
Gas inlet pipes
Gas solenoid valves
Grid Sliders
Grid Supports
Handles
Heating elements
Hinges
Lampade spia
Latches
Locks
Microswitches
Moisture Indicators
Molecular Filters
Pentavalent Motors
Pressostats
Pressure valves
Prodotti per pulizia
Refrigerator Gaskets
Refrigerator Grids
Relays
Sponde spillone
Springs
Switches
Tailor-Made Gaskets
Tangential fans
Thermometers
Thermostatic valves
Thermostats
Thermostats knobs
Timers
Tools
Vacuum gauges
Wheels with bearings
OCS
CAPSULE FILTERHOLDER
COMPLETE GROUPS
ELECTRICAL AND ELECTRONIC PARTS
FEET
FILTERHOLDER FOR PODS AND TEFLON COATED FILTER HOLDER
FILTERHOLDERS
FITTINGS
GAS
MAINTENANCE EQUIPMENT
MEASURING ACCESSORIES
MILK FROTHERS
NAKED FILTER HOLDERS
PIPES
PROFESSIONAL CLEANING PRODUCTS
PUMPS
SAFETY VALVES
SANITIZERS
SOLENOID VALVES
SPOUTS
T-SHIRT
VALVES
WATER TREATMENT
Air traps
ARMS
Barb hose adaptors
BASKETS
Boiler
Bulb holder sheats
Buttons, switches
Capacitor belts
CLOSING
COMENDA-FAEMA
COMMUTATORS
Contactors
COUPLING
Curtain
Descalers
Door catches
Doors gaskets
Doors hinges - Tie rods
DOSING PUMPS
Drain hose
Drain solenoid valve
Drains
Electronic cards
FILTERS
GASKETS
Handles
HEATING ELEMENTS
Inlet hose
Knobs
Mangle cloths. Wax
MECHANICAL SEALS
MICROSWITCHES
MOTOR PUMPS
Nozzles
One-way valves
OVERFLOW PIPE
Pegs and Fingers
PILOT LIGHTS
PRESSOSTAT
Relays
Rinse aid containers
Rollers
Salt containers
Sinks
SOLENOID VALVES
Springs
Support for wash and rinse arms
SWITCHES
TAPS LARGE SYSTEM
Terminal Boards
Thermometers
THERMOSTATS
Timer motors
Timers
Waste bin rings
Water softener parts
Back to Parts and Parcel Co., LTD
Contacts
VIBIEMME
ESPRESSO MACHINE PARTS
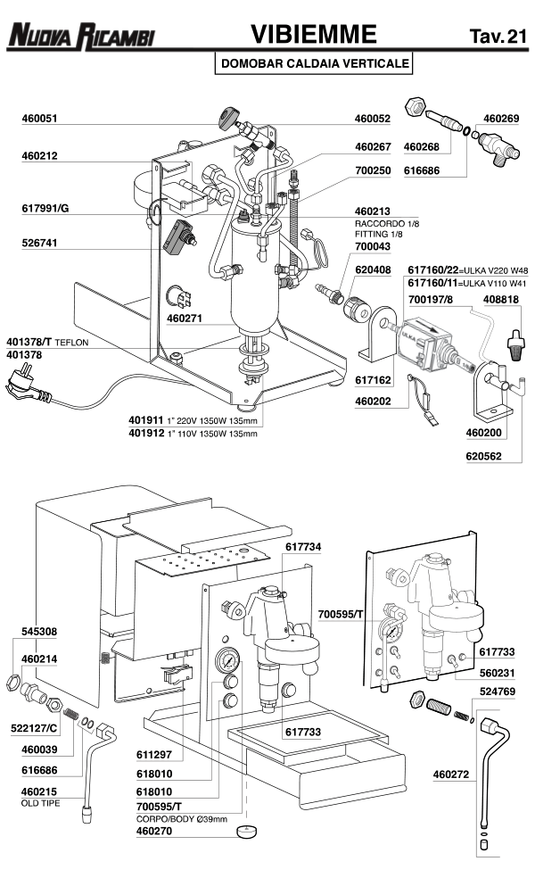
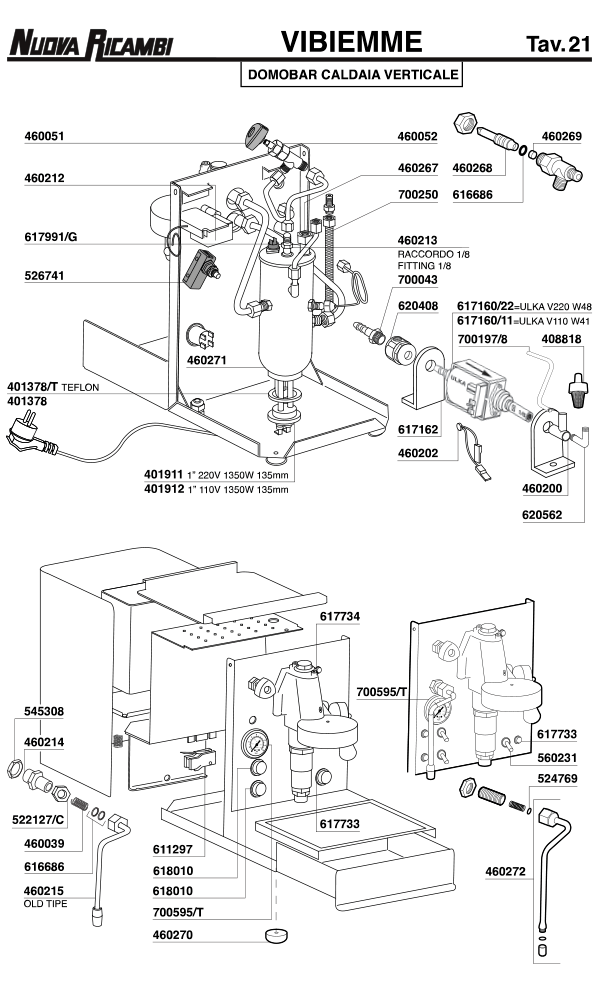
Table Vibiemme 21
Document not found!
ESPRESSO MACHINE PARTS
Vibiemme 21
Ask for further information
Print table
Select spare part from drawing